Ako otestovať funkciu anti-islanding pomocou simulátora siete/záťaže
Najskôr si povedzme, čo je anti-islanding a prečo je dôležitý.
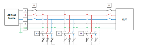
S rastúcim dopytom po distribuovaných zdrojoch energie (DER) a elektrifikácii je zabezpečenie bezpečnosti a stability siete dôležitejšie ako kedykoľvek predtým. Jedným z kľúčových bezpečnostných mechanizmov je ostrovná ochrana (t. j. anti-islanding), ktorá má zabrániť tomu, aby napríklad solárny striedač pokračoval v napájaní siete v prípade jej výpadku.
Tieto energetické "ostrovy" alebo vo všeobecnosti ostrovné napájanie môže nastať, keď miestny zdroj energie pokračuje v dodávaní vyrobenej energie do verejnej siete počas výpadku, čím vzniká nebezpečný ostrov pod napätím. Anti-islanding zabezpečuje, že DER alebo systémy pripojené k sieti, ako sú nabíjačky elektrických vozidiel, sú počas takýchto udalostí okamžite odpojené od siete, čím sa chránia pracovníci, zákazníci a zariadenia energetických služieb.




