Parametre a špecifikácia
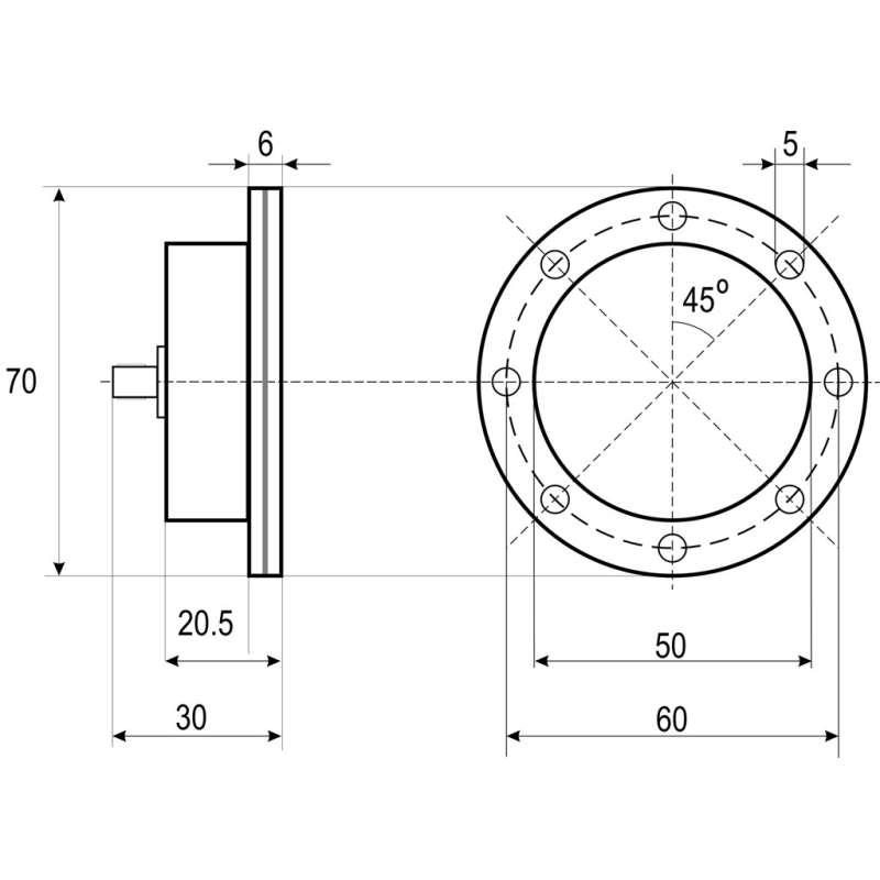
MD 102A je koaxiálny prúdový terčík na monitorovanie elektrostatických výbojov vyrobený podľa požiadaviek normy EN/IEC 61000-4-2 Ed.2. Terčík je možné zakúpiť ako voliteľné príslušenstvo pre generátory ESD, NSG 435, NSG 437, NSG 438 a iné. Môže sa používať na merania do 30 kV. Na prispôsobenie výstupného signálu vstupným možnostiam osciloskopu sú k dispozícii prídavné atenuátory.
Súbory na stiahnutie a odkazy
Potrebujete poradiť?
Zavolajte nám na číslo +420 325 610 123 a požiadajte špecialistu v tejto oblasti.







